联系我们 欢迎访问山东省机动车鉴定评估行业协会官方网站!
《二手车鉴定评估技术规范》GB-T-30323-2O13
发布时间:2019-04-26

二手车鉴定评估技术规范

引   言

为规范二手车鉴定评估行为,营造公平、公正的二手车消费环境,保护消费者合法权益,促进汽车市场健康发展,制定本标准。

本标准在制定过程中,参考了国外二手车鉴定评估有关法规与行业标准的主要思路与方法。

1范围

本标准规定了二手车鉴定评估的术语和定义、企业要求、作业流程和方法等技术要求。

本标准适用于从事二手乘用车鉴定评估的活动。从事其它二手车鉴定评估,以及其它涉及汽车鉴定评估活动参照执行。

2 规范性引用文件

下列规范所包含的条文,通过在本规范中引用而构成本规范的条文。本规范出版时,所示版本均为有效。所有规范都会被修订,使用本规范的各方应探讨使用下列规范最新版本的可能性。凡是不注明日期的引用文件,其最新版本适用于本规范。

《机动车运行安全技术条件》(GB7258-2004)。

 3 术语和定义

本规范采用下列定义:

3.1 

二手车used automobile

本规范所述二手车是指从办理完注册登记手续到达到国家强制报废标准之前进行交易并转移所有权的汽车。

3.2

二手车鉴定评估 appraisal and inspection 

是指对二手车进行技术状况检测、鉴定,确定某一时点价值的过程。

3.2.1

二手车技术状况鉴定 technical inspection

对车辆技术状况进行缺陷描述、等级评定。

3.2.2

二手车价值评估 evaluation

根据二手车技术状况鉴定结果和鉴定评估目的,对目标车辆价值评估。价值评估方法主要包括现行市价法、重置成本法。

3.2.2.1

现行市价法 Current market price method

根据车辆技术状况按照市场现行价格计算出被评估车辆价值的方法。

3.2.2.2

重置成本法Replacement cost method

按照相同车型市场现行价格重新购置一个全新状态的评估对象,用所需的全部成本减去评估对象的实体性、功能性和经济性陈旧贬值后的差额,以其作为评估对象现时价值的方法。

3.3

二手车鉴定评估机构appraisal and inspection enterprises

从事二手车鉴定评估经营活动的第三方服务机构。

3.4

二手车鉴定评估师 appraiser与高级二手车鉴定评估师advanced  appraiser

分别指依法取得二手车鉴定评估师、高级二手车鉴定评估师国家职业资格的人员。

4. 二手车鉴定评估机构条件和要求

4.1场所

经营面积不少于200㎡。

4.2设施设备

4.2.1具备汽车举升设备;

4.2.2车辆故障信息读取设备、车辆结构尺寸检测工具或设备; 

4.2.3具备车辆外观缺陷测量工具、漆面厚度检测设备;

4.2.4具备照明工具、照相机、螺丝刀、扳手等常用操作工具。

4.3人员

具有3名以上二手车鉴定评估师,1名以上高级二手车鉴定评估师。

4.4其它

4.4.1 具备电脑等办公设施;

4.4.2 具备符合国家有关规定的消防设施;

5. 二手车鉴定评估程序

QQ浏览器截图20190409094800.png

图一 二手车鉴定评估作业流程


5.1二手车鉴定评估作业流程

二手车鉴定评估机构开展二手车鉴定评估经营活动按图一流程作业,并按附录四填写《二手车鉴定评估作业表》。二手车经销、拍卖、经纪等企业开展业务涉及二手车鉴定评估活动的,参照图一有关内容和顺序作业,即查验可交易车辆──登记基本信息──判别事故车──鉴定技术状况,并参照附录三填写《二手车技术状况表》。                  

5.2 受理鉴定评估

了解委托方及其车辆的基本情况,明确委托方要求,主要包括委托方要求的评估目的、评估基准日、期望完成评估的时间等;

5.3 查验可交易车辆

5.3.1查验机动车登记证书、行驶证、有效机动车安全技术检验合格标志、车辆购置税完税证明、车船使用税缴付凭证、车辆保险单等法定证明、凭证是否齐全,并按照表一检查所列项目是否全部判定为“Y”。

表一 可交易车辆判别表

QQ浏览器截图20190409094827.png


5.3.2.如发现上述法定证明、凭证不全、或表一检查项目任何一项判别为“N”的车辆,应告知委托方,不需继续进行技术鉴定和价值评估(司法机关委托等特殊要求的除外)。

5.3.3发现法定证明、凭证不全,或者表一中第1项、4项至8项任意一项判断为“N”的车辆应及时报告公安机关等执法部门。

5.4.签订委托书

对相关证照齐全、表一检查项目全部判别为“Y”的,或者司法机关委托等特殊要求的车辆,按附录1签署二手车鉴定评估委托书。


5.5登记基本信息

5.5.1登记车辆使用性质信息,明确营运与非营运车辆;

5.5.2登记车辆基本情况信息,包括车辆类别、名称、型号、生产厂家、初次登记日期、表征行驶里程等。如果表征行驶里程如与实际车况明显不符,应在《二手车鉴定评估报告》或《二手车技术状况表》有关技术缺陷描述时予以注明。

《二手车鉴定评估技术规范》(5.6章节)


5.6 判别事故车

5.6.1参照图二所示车体部位,按照表二要求检查车辆外观,判别车辆是否发生过碰撞、火烧,确定车体结构是完好无损或者有事故痕迹;

QQ浏览器截图20190409094853.png


5.6.2 使用漆面厚度检测设备配合对车体结构部件进行检测;使用车辆结构尺寸检测工具或设备检测车体左右对称性。

5.6.3根据表二、表三对车体状态进行缺陷描述。即:车身部位+状态。例:4SH,即:左C柱有烧焊痕迹。

5.6.4当表二中任何一个检查项目存在表三中对应的缺陷时,则该车为事故车。

5.6.5事故车的车辆技术鉴定和价值评估不在本规范的范围之内。

表二 车体部位代码表

QQ浏览器截图20190409094903.png


表三 车辆缺陷状态描述对应表


QQ浏览器截图20190409094929.png


5.7鉴定车辆技术状况

5.7.1按照车身、发动机舱、驾驶舱、启动、路试、底盘等项目顺序检查车辆技术状况。

5.7.2根据检查结果确定车辆技术状况的分值。总分值为各个鉴定项目分值累加,即鉴定总分=∑项目分值,满分100分。

5.7.3根据鉴定分值,按照表四确定车辆对应的技术等级。

表四  车辆技术状况等级分值对应表

QQ浏览器截图20190409095007.png

 5. 8评估车辆价值

5.8.1根据按照车辆有关情况,确立估值方法,并对车辆价值进行估算。

5.8.2 估值方法选用原则:一般情况下,推荐选用现行市价法;在无参照物、无法使用现行市价法的情况下,选用重置成本法。

5.8.3 现行市价法的运用方法:评估价值为相同车型、配置和相同技术状况鉴定检测分值的车辆近期的交易价格;如无参照,可从本区域本月内的交易记录中调取相同车型、相近分值,或从相邻区域的成交记录中调取相同车型、相近分值的成交价格,并结合车辆技术状况鉴定分值加以修正。

5.8.4当 无任何参照体时,使用重置成本法计算车辆价值。

车辆评估价值=更新重置成本×综合成新率

1.更新重置成本为相同型号、配置的新车在评估基准日的市场零售价格;

2.综合成新率由技术鉴定成新率与年限成新率组成,即:

综合成新率=。其中,年限成新率=预计车辆剩余使用年限/车辆使用年限(乘用车使用年限15年,超过15年的按实际年限计算;有年限规定的车辆、营运车辆按实际要求计算);技术鉴定成新率=车辆技术状况分值/100;、分别为技术鉴定成新率与年限成新率系数,由评估人员根据市场行情等因素确定,且。

 技术鉴定成新率×β,相当于实体性陈旧贬值与功能性陈旧贬值后,车辆剩余的价值率;年限成新率×,相当于经济性陈旧贬值后,车辆剩余的价值率。

5.9 撰写及出具鉴定评估报告

5.9.1 根据车辆技术状况鉴定等级和价值评估结果等情况,按照附录二要求撰写《二手车鉴定评估报告》,做到内容完整、客观、准确,书写工整。

5.9.2按委托书要求及时向客户出具《二手车鉴定评估报告》,并由鉴定评估人与复核人签章、鉴定评估机构加盖公章。

5.10归档工作底稿

将《二手车鉴定评估报告》及其附件与工作底稿独立汇编成册,存档备查。档案保存一般不低于5年;鉴定评估目的涉及财产纠纷的,其档案至少应当保存10年;法律法规另有规定的,从其规定。

6. 正常车辆技术状况鉴定有关要求

6.1 车身

图片1.png


6.1.1参照图三标示,按照表五、表六要求检查26个项目,程度为1的扣0.5分,每增加1个程度加扣0.5分。共计20分,扣完为止。轮胎部分需高于程度4的标准,不符合标准扣1分。

6.1.2使用车辆外观缺陷测量工具与漆面厚度检测检测仪器结合目测法对车身外观进行检测。

6.1.3根据表五、表六描述缺陷,车身外观项目的转义描述为:

车身部位+状态+程度。

例:21XS2对应描述为:左后车门有锈蚀,面积为大于100mm×100mm,小于或等于200mm×300mm。

表五  车身外观部位代码对应表

1556506268196668.png

表六  车身外观状态描述对应表

代码
HH
BXXS
LWAX
XF
描述划痕变形锈蚀裂纹
凹陷修复痕迹

程度:1──面积小于或等于100mm×100mm;

2──面积大于100mm×100mm并小于或等于200mm×300mm;

3──面积大于200mm×300mm;

4──轮胎花纹深度小于1.6mm。

6.2 发动机舱

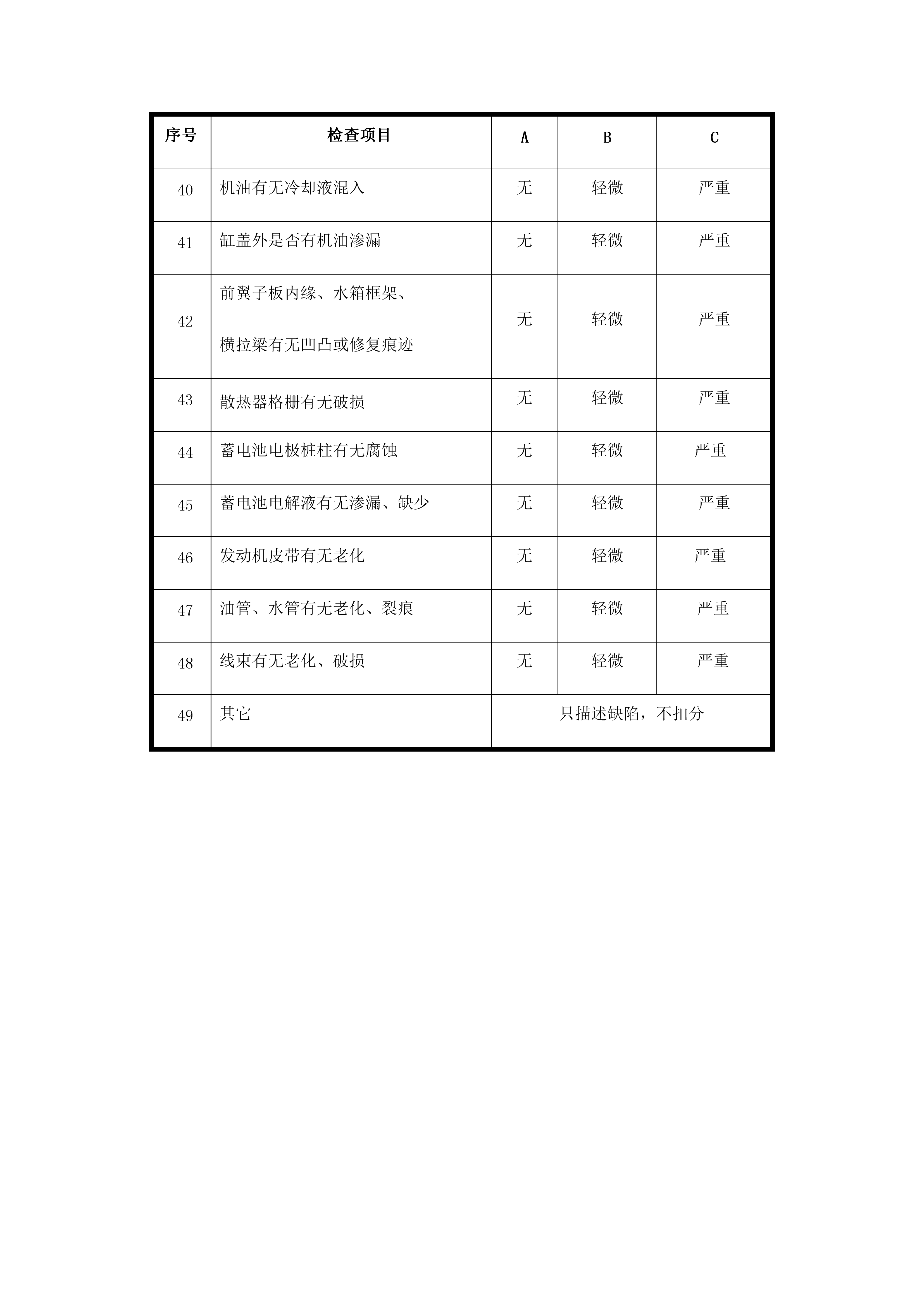
按表七项要求检查10个项目。选择A不扣分,第40项选择B或C扣15分;第41项选择B或C扣5分;第44项选择B扣2分,选择C扣4分;其余各项选择B扣1.5分,选择C扣3分。共计20分,扣完为止。

如检查第40项时发现机油有冷却液混入、检查第41项时发现缸盖外有机油渗漏,则应在《二手车鉴定评估报告》或《二手车技术状况表》的技术状况缺陷描述中分别予以注明,并提示修复前不宜使用。

表七  发动机舱检查项目作业表

1556506608275119.png


 6.3驾驶舱

按表八要求检查15个项目。选择A不扣分,第50项选择C扣1.5分;第51、52项选择C扣0.5分;其余项目选择C扣1分。共计10分,扣完为止。

如检查第60项时发现安全带结构不完整或者功能不正常,则应在《二手车鉴定评估报告》或《二手车技术状况鉴定书》的技术状况缺陷描述中予以注明,并提示修复或更换前不宜使用。


表八 驾驶舱检查项目作业表

1556506759368473.png

6.4启动

按表九要求 检查10个项目。选择A不扣分,第65、66项选择C扣2分;第67项选择C扣1分;第68至71项,选择C扣0.5分;第72、73项选择C扣10分。共计20分,扣完为止。

如检查第66项时发现仪表板指示灯显示异常或出现故障报警,则应查明原因,并在《二手车鉴定评估报告》或《二手车技术状况鉴定书》的技术状况缺陷描述中予以注明。

优先选用车辆故障信息读取设备对车辆技术状况进行检测。

1556506874768818.png

6.5路试

按表十要求 检查10个项目。选择A不扣分,选择C扣2分。共计15分,扣完为止。

如果检查第80项时发现制动系统出现刹车距离长、跑偏等不正常现象,则应在《二手车鉴定评估报告》或《二手车技术状况表》的技术缺陷描述中予以注明,并提示修复前不宜使用。

1556507040868414.png

6.6底盘

按表十一要求检查8个项目。选择A不扣分,第85、86项,选择C扣4分;第87、88项,选择C扣3分;第89、90、91项,选择C扣2分。共计15分,扣完为止。

表十一 底盘检查项目作业表

1556507246121100.png

6.7功能性零部件

对表十二所示部件功能进行检查。结构、功能坏损的,直接进行缺陷描述,不计分。

1556507411796999.png


6.8 拍摄车辆照片

6.8.1外观图片。分别从车辆左前部与右后部45度角拍摄外观图片各1张。拍摄外观破损部位带标尺的正面图片1张。

6.8.2 驾驶舱图片。分别拍摄仪表台操纵杆、前排座椅、后排座椅正面图片各1张,拍摄破损部位带标尺的正面图片1张。

6.8.3 拍摄发动机舱图片1张。

7. 二手车鉴定评估机构经营管理

7.1有规范的名称、组织机构、固定场所和章程,遵守国家有关法律、法规及行规行约,客观公正地开展二手车鉴定评估业务。

7.2在经营场所明显位置悬挂二手车鉴定评估机构核准证书和营业执照等证照,张贴二手车鉴定评估流程和收费标准。

7.3二手车鉴定评估人员应严格遵守职业道德、职业操守和执业规范。

7.4开展二手车鉴定评估活动应坚持客观、独立、公正、科学的原则,按照关联回避原则,回避与本机构、评估人有关联的当事人委托的鉴定评估业务。

7.5建立内部培训考核制度,保证鉴定评估人员职业素质和鉴定评估工作质量。

7.6建立和完善二手车鉴定评估档案制度,并根据评估对象及有关保密要求,合理确定适宜的建档内容、档案查阅范围和保管期限。


附录一            二手车鉴定评估委托书(示范文本)

委托书编号:____________

 

委托方名称(姓名):                  法人代码证(身份证)号:  

鉴定评估机构名称:                   法人代码证:

委托方地址:                         鉴定评估机构地址:

联系人:                             电话:

   因  □交易 □典当 □拍卖  □置换  □抵押 □担保  □咨询  □司法裁决需要,委托人与受托人达成委托关系,号牌号码为____________________,车辆类型为___________________,车架号(VIN码)为________________的车辆进行技术状况鉴定并出具评估报告书,        年       月        日前完成。

委托评估车辆基本信息)



委托评估车辆基本信息

 

辆    

情况

厂牌型号


使用用途

营运    □

非营运  □  

总质量/座位/排量


燃料种类


初次登记日期

        年    月    日

车身颜色


已使用年限

年  个月

累计行驶里程(万公里)


大修次数

发动机(次)


整车(次)


维修情况


事故情况


价值反映

购置日期

         年    月    日

原始价格(元)


备注:

 

 

 

  

委托方:(签字、盖章)                     受托方:(签字、盖章)

 

                                     (二手车鉴定评估机构盖章)

 

年    月   日                                     年     月    日




1.委托方保证所提供的资料客观真实,并负法律责任。

3.仅对车辆进行鉴定评估。

4.评估依据:《机动车运行安全技术条件》、《二手车鉴定评估技术规范》等。          

5.评估结论仅对本次委托有效,不做它用。

6.鉴定评估人员与有关当事人没有利害关系。

7.委托方如对评估结论有异议,可于收到《二手车鉴定评估报告》之日起10日内向受托方提出,受托方应给予解释。



附录二          二手车鉴定评估报告(示范文本)

××××鉴定评估机构评报字(20    年)第××号

一、绪言

         (鉴定评估机构)接受        的委托,根据国家有关评估及《二手车流通管理办法》和《二手车鉴定评估技术规范》的规定,本着客观、独立、公正、科学的原则,按照公认的评估方法,对牌号为       的车辆进行了鉴定。本机构鉴定评估人员按照必要的程序,对委托鉴定评估的车辆进行了实地查勘与市场调查,并对其在      年      月      日所表现的市场价值作出了公允反映。现将该车辆鉴定评估结果报告如下:

二、委托方信息

委托方:                              委托方联系人:                                  联系电话:                            车主姓名/名称: (填写机动车登记证书所示的名称)   

三、鉴定评估基准日                 年          月          日

四、鉴定评估车辆信息

厂牌型号:                             牌照号码:                                  

发动机号:                             车辆VIN码:                              

车身颜色:              表征里程:              初次登记日期:                     

年审检验合格至:         年       月           交强险截至日期:        年      月

车船税截至日期:       年      月      

是否查封、抵押车辆:□是 □否    车辆购置税(费)证:    □有 □无    

机动车登记证书:    □有 □无    机动车行驶证:          □有 □无

未接受处理的交通违法记录:□有 □无

使用性质:□公务用车 □家庭用车 □营运用车 □出租车   □其它:                

五、技术鉴定结果

技术状况缺陷描述:                                                                 

                                                                                   

重要配置及参数信息:                                                              

技术状况鉴定等级:                           等级描述:                            

六、价值评估

价值估算方法:□现行市价法□重置成本法□其他                                  

价值估算结果:车辆鉴定评估价值为人民币        元,金额大写:            


七、特别事项说明

八、鉴定评估报告法律效力

本鉴定评估结果可以作为作价参考依据。本项鉴定评估结论有效期为90天,自鉴定评估基准日至  年  月  日止;

九、声明:

⑴本鉴定评估机构对该鉴定评估报告承担法律责任;

⑵本报告所提供的车辆评估价值为评估基准日的价值;

⑶该鉴定评估报告的使用权归委托方所有,其鉴定评估结论仅供委托方为本项目鉴定评估目的使用和送交二手车鉴定评估主管机关审查使用,不适用于其他目的,否则本鉴定评估机构不承担相应法律责任;因使用本报告不当而产生的任何后果与签署本报告书的鉴定评估人员无关;

⑷本鉴定评估机构承诺,未经委托方许可,不将本报告的内容向他人提供或公开,否则本鉴定评估机构将承担相应法律责任。

附件:

一、二手车鉴定评估委托书

二、二手车技术状况鉴定作业表

三、车辆行驶证、机动车登记证书证复印件

四、被鉴定评估二手车照片(要求外观清晰,车辆牌照能够辨认)

二手车鉴定评估师(签字、盖章)                    复核人(签字、盖章)

 

年    月    日                            (二手车鉴定评估机构盖章)

                                         年    月    日

[1] 特别事项是指在已确定鉴定评估结果的前提下,鉴定评估人员认为需要说明在鉴定过程中已发现可能影响鉴定评估结论,但非鉴定评估人员执业水平和能力所能鉴定评定估算的有关事项以及其他问题。

[2] 复核人是指具有高级二手车鉴定评估师资格的人员

备注:1、本报告书和作业表一式三份,委托方二份,受托方一份;

2、鉴定评估基准日即为《二手车鉴定评估委托书》签订的日期。



附录三            二手车技术状况表(示范文本)书》签订的日期。

1556508197498171.png

1556508197950873.png

1556508197706828.png




电话: 150-6909-0680

网址: http://sdaaa.com.cn/

地址:山东省济南市天桥区交校路5号 山东交通学院无影山校区西院 山东交通产业创新创业孵化基地 二层205室

公众号二维码

抖音扫码关注